网站首页
关于东思
公司简介
领导致词
新闻中心
新闻资讯
行业新闻
产品展示
过电压保护系列
设备监测、保护系列
电能质量系列
电力仪表系列
工程案例
应用案例
客户服务
联系我们
联系方式
在线留言
产品展示
过电压保护系列
设备监测、保护系...
电能质量系列
电力仪表系列
联系我们
了解更多,请致安徽东思电气有限公司
13385603795
0551-67163918
1227356328@qq.com
设备监测、保护系列
当前位置:
首页
> 产品展示 > 设备监测、保护系列
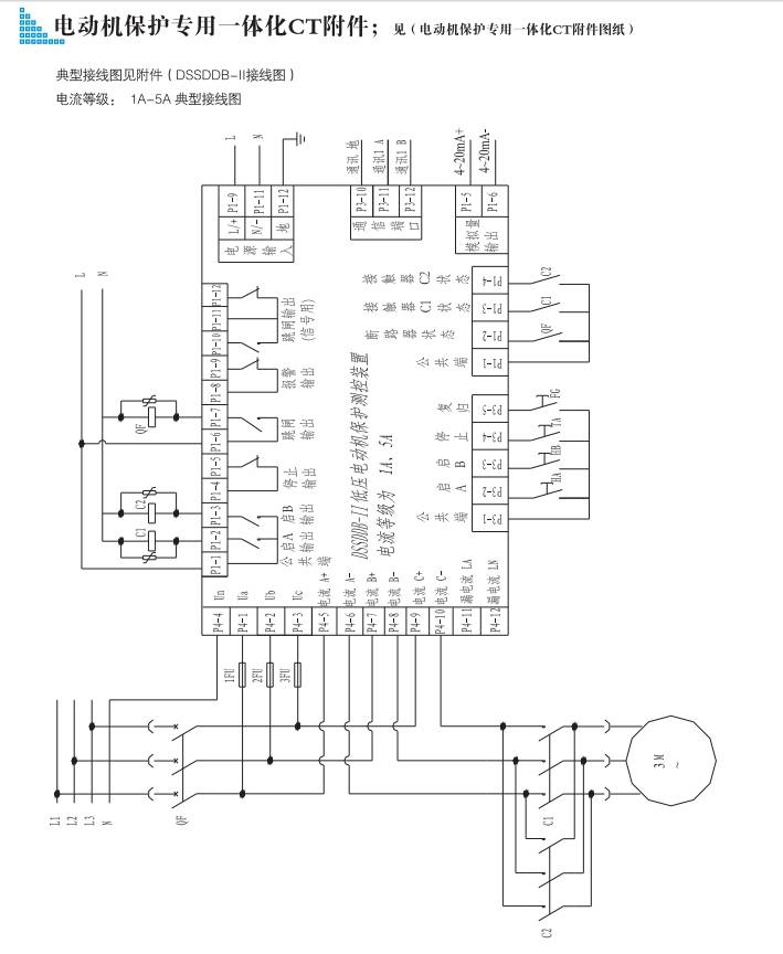
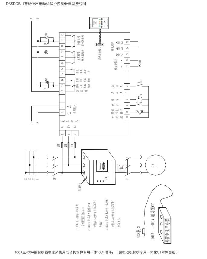
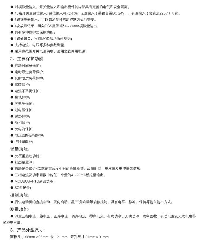
DSSDDB系列低压电动机保护装置
发布日期:2025-05-19 人气:
181
上一篇:
DSSCTB系列电流互感器二次过电压保护器
下一篇:
DSSCX系列开关柜智能操控装置
关于东思
公司简介
领导致词
产品展示
过电压保护系列
设备监测、保护系列
电能质量系列
电力仪表系列
工程案例
应用案例
快捷导航
新闻资讯
行业新闻
联系方式
在线留言
扫一扫,关注我们
电子邮件:1227356328@qq.com
电 话:13385603795 0551-67163918
传 真:0551-67163918
邮政编码:230031
地 址:安徽省合肥市高新区柏堰科技园杭埠路23号安徽中科资城产业园
Copyright © 安徽东思电气有限公司-